HAK pneumatic (4 Way / 5 Port / 2 Position) mechanical valve with Momentary Pin Plunger, NPT 1/4” (MSV86522)
✅ In Stock – Ready to Ship From Canada
Couldn't load pickup availability
Use this text to encourage communication or promote sharing on social networks.
Description
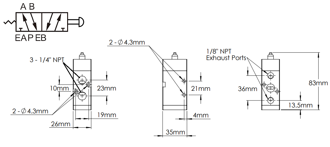
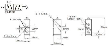
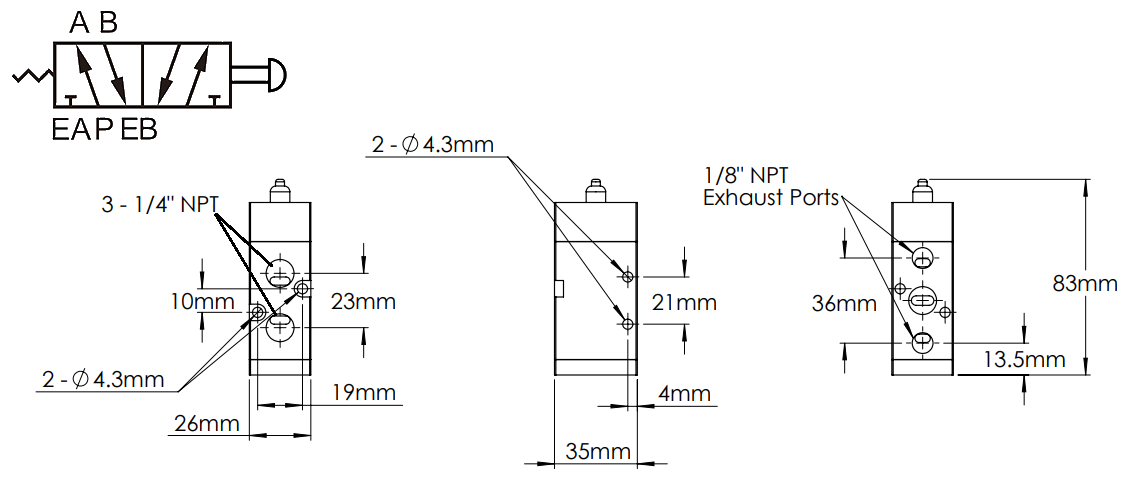
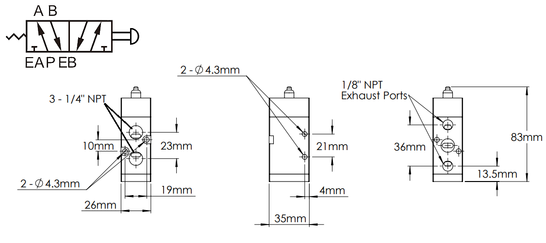
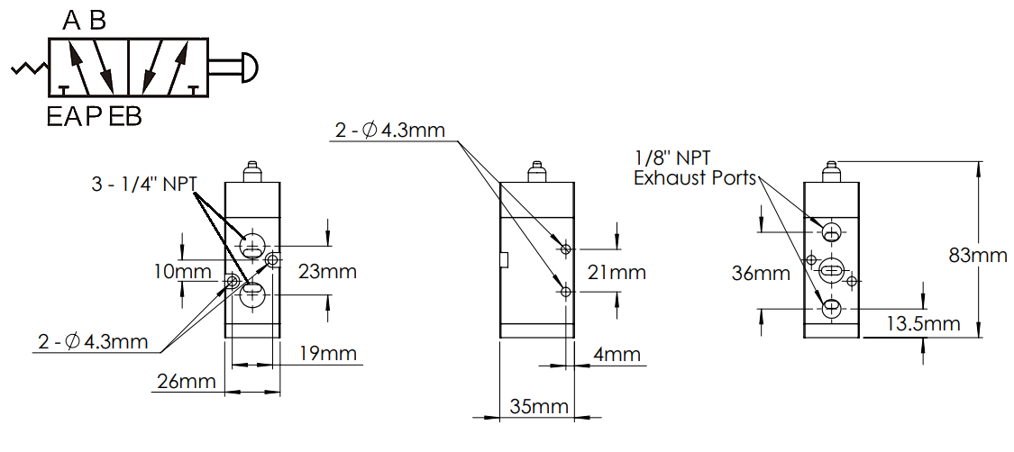
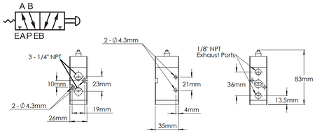
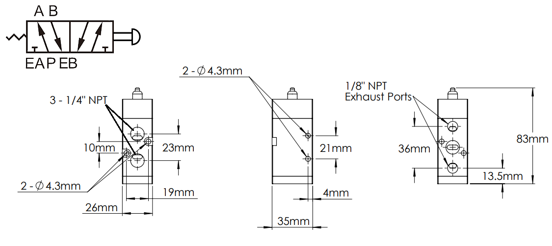
* Pneumatic Mechanical With Momentary Pin Plunger Valve Type: 5 Port 2 Position.* A High-Quality Valve body is made of Aluminium material, with long-serving life; seals initially imported from Japan.* The Anti-friction seal is added at both ends of the valve spool to make the valve spool more stable during the switching process and increase the valve lifetime.* This is a Four-way, air-pilot valve with a spool design requiring an input pressure supplied to port P to actuate. The valve will not actuate when no pressure is applied.* This type of valve is designed for AIR FLOW ONLY. The use of filtered lubricated air will prolong the life of the valve & its internal components.
Specification
| Item Number | MSV86522 |
|---|---|
| Working Medium | 40 Micron Filtered Air |
| Port Size | 1/4″ NPT |
| Effective Cross Section Area | 16mm² (CV=0.89) |
| Working-pressure | 21.75~116 PSI |
| Ambient Temperature | -20~ 70℃ |
| Valve Type | 5/2 Way |
