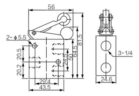
HAK Pneumatic (3 Way / 3 Port / 2 Position) Mechanical Stop Roller Valve, NPT 1/4” (JM-07)
✅ In Stock – Ready to Ship From Canada
Couldn't load pickup availability
Use this text to encourage communication or promote sharing on social networks.
Description
* Pneumatic Mechanical Stop Roller Valve Type: 3 Port 2 Position Normally closed.* A High-Quality Valve body is made of Aluminium material, with long-serving life; seals initially imported from Japan.* The Anti-friction seal is added at both ends of the valve spool to make the valve spool more stable during the switching process and increase the valve lifetime.* This is a Three-way, air-pilot valve with a spool design requiring an input pressure supplied to port P to actuate. The valve will not actuate when no pressure is applied.* This type of valve is designed for AIR FLOW ONLY. The use of filtered lubricated air will prolong the life of the valve & its internal components.
Specification
| Item Number | JM-07 |
|---|---|
| Working Medium | 40 Micron Filtered Air |
| Port Size | 1/4″ NPT |
| Working-pressure | 21.75~116 PSI |
| Ambient Temperature | -20~ 70℃ |
| Valve Type | 3/2 Way |
