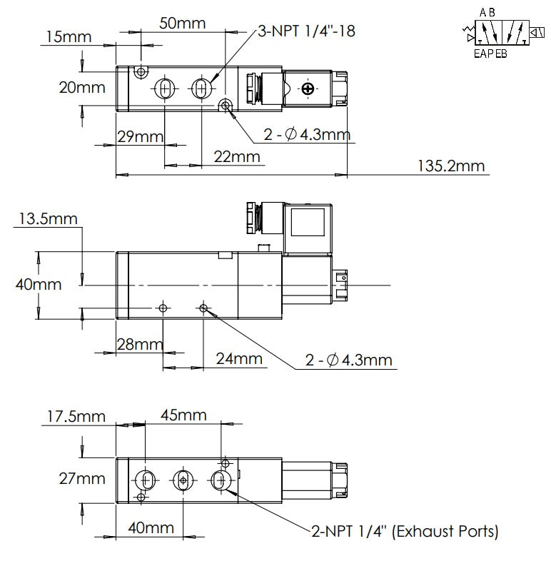
HAK Pneumatic (4 Way / 5 Port / 2 Position) Directional Single Coil Solenoid Valves, NPT 1/4" (4V310-08)
Couldn't load pickup availability
Use this text to encourage communication or promote sharing on social networks.
Description
- Pneumatic Directional Control Valve (DCV) Type: 5 Port 2 Position, Single Solenoid Valve.* Voltage: DC12V / DC24V / AC24V 50/60Hz / AC110V 50/60Hz / AC220V 50/60Hz.* A High-Quality Valve body is made of Aluminum material, with long-serving life; seals initially imported from Japan.* The Anti-friction seal is added at both ends of the valve spool to make the valve spool more stable during the switching process and increase the valve lifetime.* This is a four-way, air-pilot valve with a spool design requiring an input pressure supplied to port P to actuate. The valve will not actuate when no pressure is applied.* This type of valve is designed for AIR FLOW ONLY. The use of filtered lubricated air will prolong the life of the valve & its internal components.
- This valve is supplied with a standard DIN coil. Wire Leads Coil option is also available upon request – please contact us directly for details.
Parts

| Number | Name | Number | Name | Number | Name |
|---|---|---|---|---|---|
| 1 | CROSS SLOT PAN SCREW | 7 | VALVE SPOOL | 13 | COIL |
| 2 | BACK COVER | 8 | PISTON | 14 | COIL NUT |
| 3 | SPRING | 9 | Y RING | 15 | FIX PLATE |
| 4 | ANOMALOUS SEAL | 10 | SPRING | 16 | O RING |
| 5 | VALVE BODY | 11 | MANUAL RIDE SPINDLE | 17 | PLUNGER |
| 6 | FLAT RING | 12 | TERMINAL | 18 | PILOT SEAT |
Specification
| Model | 4V310-08 |
|---|---|
| Valve Type | 5/2 way |
| Effective Cross Section Area | 25 mm²(CV=1.4) |
| Port Size | Inlet, Outlet = NPT 1/4″, Exhaust Port = NPT 1/4″ |
| Working Medium | 40 Micron Filtered Air |
| Operation | Internal piloted |
| Working-pressure | 21.75~116 PSI |
| Max. Test Pressure | 174 PSI |
| Ambient Temperature | -20 ~ 70 ℃ |
| Operating Voltage Tolerance | ± 10% |
| Power Consumption | AC: 2.5VA DC: 2.5W |
| Connector Protection | F Class, IP 65 |
| Wiring / Connector | Cable / Lead Wire or DIN Connector |
| Switching Frequency | 5 Cycles / Sec. |
| Response Time | 0.05 Sec. |
