HAK Pneumatic (3 Way / 3 Port / 2 Position) 1 Air Piloted Control Normally Closed Valve, NPT 1/8” (3A110-06)
✅ In Stock – Ready to Ship From Canada
Couldn't load pickup availability
Use this text to encourage communication or promote sharing on social networks.
Description
* Pneumatic Air Piloted Valve: 3 Port 2 Position.* A High-Quality Valve body is made of Aluminum material, with long-serving life; seals initially imported from Japan.* The Anti-friction seal is added at both ends of the valve spool to make the valve spool more stable during the switching process and increase the valve lifetime.* This is a Three-way, air-pilot valve with a spool design requiring an input pressure supplied to port P to actuate. The valve will not actuate when no pressure is applied.* This type of valve is designed for AIR FLOW ONLY. The use of filtered lubricated air will prolong the life of the valve & its internal components.
Parts

| Number | Name | Number | Name | Number | Name |
|---|---|---|---|---|---|
| 1 | CROSS SLOT PAN SCREW | 7 | VALVE SPOOL | ||
| 2 | BACK COVER | 8 | PISTON | 14 | COIL NUT |
| 3 | SPRING | 9 | Y RING | 15 | FIX PLATE |
| 4 | ANOMALOUS SEAL | 10 | SPRING | 16 | O RING |
| 5 | VALVE BODY | 11 | MANUAL RIDE SPINDLE | 17 | PLUNGER |
| 6 | FLAT RING | 12 | TERMINAL | 18 | PILOT SEAT |
Specification
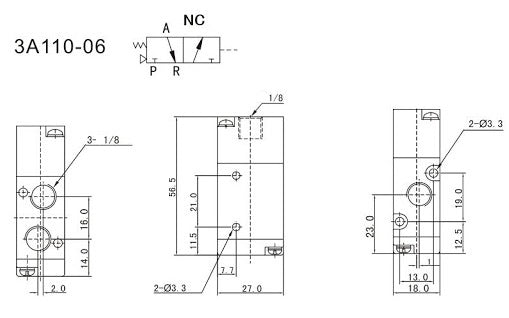
| Item Number | 3A110-06 |
|---|---|
| Valve Type | 3/2 way |
| Effective Cross Section Area | 16 mm² (CV = 0.89) |
| Port Size |
Inlet ,Outlet , Exhaust Ports 1/8″ NPT Air Pilot Port 1/8" NPT |
| Working Medium | 40 Micron Filtered Air |
| Operation | Internal piloted |
| Working-pressure | 21.75~116 PSI |
| Max. Test Pressure | 174 PSI |
| Ambient Temperature | -20 ~ 70 ℃ |
